колба КРН 125 мл. (Энглера)

Производитель: ---
Артикул: 5674
Наличие: Есть в наличии
Отзывов написано: 0 Написать

0

1 547.40 руб.
Без НДС: 1 268.36 руб.
В закладки
Сравнить

Количество:
- +

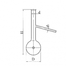
Колба круглодонная для разгонки нефти и нефтепродуктов (Энглера) КРН-125 ТС применяется при проведении работ, связанных с перегонкой нефти и нефтепродуктов.

Краткое описание колбы КРН-125 ТС

Колба выполнена в виде сферы. Имеет цилиндрическую горловину с присоединенной трубкой.
Изготавливается из термически стойкого стекла группы ТС.

Вместимость, 
мл

   Диаметр D,  
мм

Диаметр d,
мм

 Диаметр d1, 
мм

 Высота H, 
мм

 Длина l,
мм

125

69

17

5

214

100

Материал: термически стойкое стекло.

Написать Ваше Имя:


Ваш отзыв: Внимание: HTML не поддерживается! Используйте обычный текст.

Оценка:

Плохо  1   2   3   4   5   Хорошо

Введите код, указанный на картинке:
  

Сообщить, когда появится

ФИО:

ИНН компании:

Телефон:

e-mail:

Пожалуйста, укажите ваше имя и телефон, чтобы мы могли связаться с вами

Новости

Описан механизм осязания у бактерий

30.10.2017

Учёные из Германии, Швейцарии и Нидерландов провели исследование по осязанию бактерий, показавшее, как именно бактерии реагируют на встречающиеся на пути преграды. © Kateryna Kon / Фотодом / Shutterstock Несмотря на свою довольно простую одноклеточную структуру, бактерии показали, что мог ...

Читать далее...

Белок возрастом 54 миллиона лет доказал устойчивость подобных молекул

25.10.2017

Исследователи из США, Швеции и Японии выделили пигментный и мышечный белки из останков детенышей морских черепах, живших 54 миллиона лет назад. Работа ученых подтверждает высокую устойчивость белковых молекул. Морская черепаха Tasbacka © Rene Sylvestersen / commons. Wikimedia .org ...

Читать далее...

Ученые нашли, где скрывается ВИЧ

24.10.2017

Ученые из Австралии, Швеции, Канады и США установили, что вирусные частицы ВИЧ в организме больных тихо «сидят» в неактивном состоянии в иммунных клетках определенного вида. © Kateryna Kon / Фотодом / Shutterstock Вирус иммунодефицита человека относится к ретровирусам и остается ...

Читать далее...

СоюзхимпромSHP